Add beauty and value to your home with a classic pergola design.
The smallest of our popular sizes, the 10' x 10' will accommodate a small table & 4 chairs with room for 4-6 people. Smaller structures like this can be perfect for a grill or firepit. When completed, this structure will have no exposed fasteners and be very impressive in character.
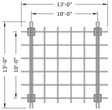
The size of 10' x 10' is the distance between column centers, the size of the upper elements is 13' x 13' because all of the upper elements cantilever 18" beyond the column centers.
Call (800) 686-3180 for more options





