Add beauty and value to your home with a classic pergola design.
THE VALUE PROPOSITION
The Pergola Plans you have been reading about cost $65 and the reasons for this value are:
- FineHouse has been designing and building architectural garden structures for more than 20 years, it is all we do.
- These plans are based on designing and building thousands of structures, primarily for professionals.
- To have an architect provide these plans would cost over $1500
- You need a good set of plans like ours for obtaining a building permit.
- You want to build a long-lasting, beautiful structure that you can be proud of
- We are a well established business and have a toll free number you can call if you have any issues with your plans (800) 686-3180
This is an architectural set of plans and documents that allow you to build a very high-quality pergola that will last for many years. When completed, this structure will have no exposed fasteners and be very impressive in character.
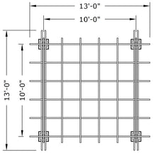
The size of 10' x 10' is the distance between column centers, the size of the upper elements is 13' x 13' because all of the upper elements cantilever 18" beyond the column centers.
Included with the design are the following; Foundation plan, front and side elevations, alternate elevations, roof plan, lintel plan, cross-sections, connection details, shop drawings, full-scale templates for a variety of carved ends, a complete material list, and much more. In total there are more than 24 pages of drawings.
Do-it-yourself owner-builders, homeowners wanting to give their contractor a good set of drawings, builders, and contractors can all benefit from these plans.
This set of plans will also allow you to apply for a building permit with all of the drawings required by most jurisdictions but does not include an engineer or architect's seal, this must be obtained locally if required.
These plans are provided as a PDF in 11x17 format with a license to build one structure.
Below is just a sample of the pages you will receive.





